Đầu tư mua mạch công suất Class TD thông minh
Mạch công suất class TD, mạch công suất class A, mạch công suất AB, mạch công suất H. Chúng là gì? Với những người yêu âm thanh, chơi nhạc thì hiểu được những thiết bị này sẽ là lợi thế.
Với hiệu suất âm thanh tốt, Bá Hùng Audio thường sử dụng khi xây dựng các hệ thống âm thanh lớn. Có rất nhiều đặc điểm thú vị của mạch công suất class TD. Chúng tôi muốn chỉ cho anh/chị qua bài viết ngay sau đây!
>>> Xem thêm: Địa chỉ chuyên làm dàn âm thanh êm mượt tại Hà Nội
Lý thuyết hoạt động của mạch Class TD
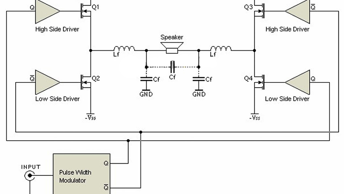
Mạch công suất Class D nghĩa là gì? D hay TD là kí tự viết tắt của cụm từ “Tracking Class D”.
Một cách dễ hiểu, mạch công suất class TD là bộ khuếch đại lớp AB. Nhưng ở mức tiêu chuẩn lên 1 mức cao hơn. Cải thiện đáng kể hiệu năng của chúng.
Mạch công suất class TD sử dụng cấu trúc liên kết “step down’ và “buck converter” - bộ chuyển đổi giảm điện áp.

Gọi điện áp đầu vào là Vách thì điện áp đầu ta là nguồn năng lượng được cung cấp cho mạch.
Dòng điện 1 chiều chạy qua FET làm bóng đèn bán dẫn sáng. Khi nguồn điện dừng lại, điện áp trên cuộn cảm bên trong bị đảo ngược chiều. Dòng điện đổi hướng và chạy sang điốt làm chuyển vòng năng lượng tự do.
Nếu dòng điện liên tục chạy qua FET, cố định trong suốt quá trình hoạt động, điện áp đầu ra và đầu vào không có nhiều thay đổi. Còn nếu FET Không có điện, điện áp đầu ra sẽ về gần bằng 0.
Nếu tín hiệu âm thanh được phát với chu kì chỉ bằng 50% bình thường. Điện áp đầu ra cũng chỉ bằng một nửa so với đầu vào.
>>> Xem thêm: Các dòng amply phổ biến có trang bị mạch class d không?
Class TD có tác dụng chính gì?
Mạch công suất Class TD có công dụng gì cho dàn âm thanh của bạn? Có cần phải đầu tư mua amply class D không? Điều này chắc chắn nhiều người sẽ băn khoăn. Nhất là khi bạn không có nhiều kinh phí, cần phải cân nhắc nhiều thiết bị.

Mạch công suất class TD là sự kết hợp hoàn hảo giữa mạch class Ab và mạch class D. Có công dụng tối ưu hóa nguồn điện đầu vào. Điện năng được sử dụng 1 cách hợp lý, không lãng phí cho người mua thiết bị âm thanh.
Ở giai đoạn đầu ra, mạch class TD sẽ hoạt động như mạch AB. Trong khi đầu ra lại họa động như nguồn cung TD, lọc bớt tiếng ồn.
Bộ lọc âm được dùng là bộ lọc âm LC tiêu chuẩn.
5 Ưu điểm của mạch công suất class TD
Sau khi đã biết được công dụng cũng như lý do tại sao nên mua cách loại mạch công suất. Bá Hùng Audio sẽ chỉ cho bạn những ưu điểm cực kỳ tuyệt vời nếu mua mạch công suất Class TD.
-Hiệu quả làm việc cao. Có thể đạt mức cao nhất lên tới 80% ở ⅓ công suất đầu ra.
-Chức năng và đặc tính y hệt bộ khuếch đại class AB nhưng hiệu suất tốt hơn.
-Có thể đáp ứng dải tần số âm thanh cực rộng.
-Ít tiếng ồn làm nhiễu âm thanh.
-Độ méo hài khá thấp so với các con hàng cùng tầm giá.

Tham khảo mẫu cục đẩy công suất Class TD
Thị trường thiết bị âm nhạc hiện nay đã phát triển đến rộng vô cùng. Chúng tôi chia chúng ta thành nhiều dòng sản phẩm. Có thể chi theo mức giá : dòng giá bình dân, giá cao cấp. Cũng có thể chia theo mục đích là để nghe nhạc giao hưởng, nghe nhạc rap hay chuyên nghiệp hơn là ở các sân khấu.
>>> Xem thêm: Cách nối amply vang số và lọc tiếng chuẩn như chuyên gia
Có lẽ khi đọc đến đây quý vị sẽ bị phân tâm và bối rối trước quá nhiều thông tin, chỉ số. Để làm bài viết cụ thể và sinh động hơn, Bá Hùng sẽ mang đến 1 vài ví dụ minh họa:
Mạch công suất Star Sound K- 4100P
-Một trong các sản phẩm đầu đời từ thương hiệu Star Sound.
-Thường được sử dụng trong các sự kiện, chương trình âm nhạc.
-Có thể dễ dàng di chuyển mà không gặp nhiều khó khăn. Nhờ vào thiết kế gọn gàng, không có nhiều chi tiết thừa.
Thương hiệu E3 Audio với công nghệ Đức tân tiến
Cần mua mạch công suất class TD? Nhất định nên tham khảo các mẫu mã từ thương hiệu E3 Audio. Các dòng sản phẩm họ tung ra đang rất được ưa chuộng trên thị trường.
Chẳng hạn như:
-Mạch E3 TX-6400 Pro với 3 loại công suất lần lượt là 900W, 1380W và 2500W.

-Mạch E3 TX-12000 Pro với 3 loại công suất lần lượt là 1000W, 1600W và 3000W.
-Mạch E3 TX-4500 Pro với 4 loại công suất là 500W, 800W, 960W và 1400W.
-Mạch E3 TX-4800 Pro với 3 loại công suất là 800W, 1200W và 2000W.
-Mạch E3 Z-2500 với 3 loại công suất là 500W, 650W và 1300W.
Về mức giá E3 Audio các bạn cũng không cần lo ngại. Thương hiệu này được sản xuất với công nghệ từ Đức rất chuyên nghiệp. Vậy nên giá thành các sản phẩm của họ rất lời lãi so với những gì mà bạn nhận được.
Đó thực sự là một món đầu tư lâu dài. Nhất là với các sản phẩm bản giới hạn, đặc biệt. Càng về sau càng có giá trị.
>>> Xem thêm: Mẫu amply từ Lenben CS600 đẹp xuất sắc
HI vọng những chia sẻ từ Bà Hùng Audio đã có ý nghĩa với quý độc giả. Mạch công suất Class TD không phải là chi tiết mà nhiều người chú ý đến. Nhưng nó là chi tiết đánh giá dàn âm thanh của bạn có hoàn hảo hay không.
Liên hệ nhận tư vấn thiết kế dàn loa gia đình với Bá Hùng Audio qua website: Bahungaudio.com!